在線管道式苯乙腈檢測儀,苯乙腈濃度探測儀
SGA-501系列在線管道式苯乙腈檢測儀是深國安電子(股票代碼:681434)運用十多年技術經驗,自主研發生產的一款功能強悍、外觀新穎、品質卓越的工業級苯乙腈濃度探測儀;產品支持多種輸出,如4-20mA電流信號、RS485數字信號和無線傳輸信號。另外管道式苯乙腈檢測儀,可實時24小時在線監測,超標自動聲光報警,還可通過內置繼電器自動聯動設備,排除險情。

SGA-501系列在線管道式苯乙腈檢測儀內置智能數據存儲功能,客戶可通過有線或無線連接,將數據打印或導出;國外原裝進口芯片,精度高、穩定性強、誤差率低;多種信號傳輸,兼容90%以上廠家的氣體報警控制器、PLC、DCS、DDC等上位機系統;全量程溫濕度補償,32位納米級微處理器+24位超高ADC采集芯片,確保產品在長期運行過程中的數據穩定;
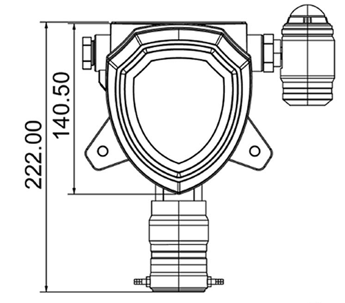
管道式苯乙腈檢測儀尺寸圖

在線管道式苯乙腈檢測儀技術參數:
技術原理|電化學、紅外線、催化燃燒、PID、半導體、光學波導、熱傳導等主流檢測技術
檢測量程0-1、2、5、10、50、100、500、1000、5000、10000、50000(根據傳感器和技術原理而定)
分 辨 率0.001、0.01、0.1、1、2、5(根據傳感器和技術原理而定)
單 位PPM、PPB、%LEL、%VOL、mg/m3、ug/m3、g/m3、g/l 、mol/mol、umol/mol
工作電壓DC 24V(12-30V)
工作溫度-20℃~+50℃(高溫環境下可選深國安高溫使用套件)
工作濕度10~95%RH (高濕環境下可選深國安高濕使用套件)
工作壓力86~106Kpa
精 確 度≤±3%FS (個別氣體有所差異)
重 復 性≤±1% FS (個別氣體有所差異)
線性誤差≤±1% FS (個別氣體有所差異)
響應時間≤3-20S (個別氣體有所差異)
顯示方式2.4英寸液晶顯示
輸出信號有線遠程方式有:RS485、RS232、4-20mA、0-5V、以太網口等
無線遠程方式有:WIFI、ROLA、ZIGBEE、NOB-LOT、GPRS、藍牙等
功 耗電化學:≤1.0W 紅外線:≤1.5W 催化燃燒:≤1.5W
PID:≤1.5W 半導體:≤1.5W 光學波導:≤1.5W MOS:≤1.5W
采氣方式自然擴散式(默認) 管道式、流通式(一進一出氣嘴,接外6mm*內4mm氣管)可選
外殼材質鋁合金鑄體
報警方式(選配)聲光報警+可視化顏色預警法
電氣接口M20*1.5(可選G3/4螺紋)
尺 寸無本地聲光:154×222×91mm 有本地聲光:206×222×91mm
熱門推薦
- 
                          
移動式防爆型多合一敗脂醛檢測儀-巡檢專用
2025-01-09
 - 
                          
加油站氣體檢測報警器-高精度響應/無線連平臺
2024-12-30
 - 
                          
移動式?安全應急多參數氣體檢測儀-可測上千種有毒氣體
2024-12-24
 - 
                          
自然災害能力提升裝備-移動式多種有毒氣體探測儀
2024-12-24
 - 
                          
?火災煙氣專用便攜式可燃有毒氣體探測器-數據存儲
2024-12-19
 - 
                          
電鍍廠高精度氰化氫氣體檢測儀探頭-擴散/泵吸采樣
2024-12-17
 - 
                          
英國氣盾配對抗中毒型氫氣傳感器-新國標/性能更佳
2024-12-05
 - 
                          
安全救援便攜式多合一可燃有毒氣體檢測儀-無線連平臺
2024-12-05
 - 
                          
英國氣盾低功耗/抗振型氫氣傳感器-質保兩年
2024-12-04
 - 
                          
英國氣盾抗硅中毒/抗振型氫氣傳感器-新國標
2024-12-04